医疗背后的“隐形守护者”:医用气体系统维护探秘
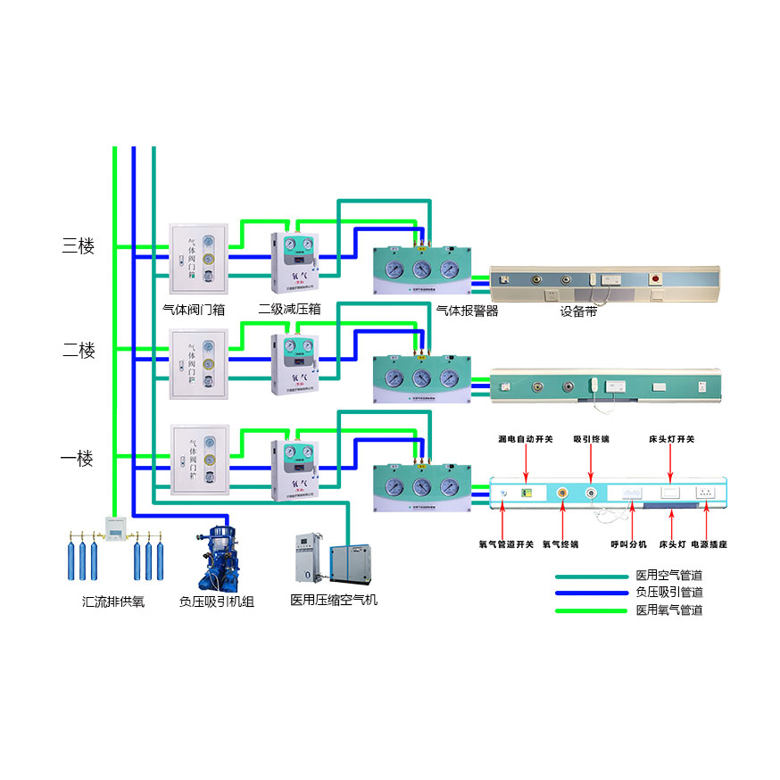
在医疗的宏大舞台上,医用气体系统宛如一位隐匿于幕后的关键角色,默默地为医疗工作的顺利开展提供着不可或缺的支持。它犹如医院的 “生命线”,将氧气、压缩空气、氮气、二氧化碳等多种气体精准地输送至各个医疗区域,为患者的生命维持与*提供着基础*。无论是手术室中争分夺秒的手术,还是重症监护室里对生命的*守护,亦或是普通病房内患者的康复*,医用气体系统的稳定运行都是医疗工作得以有效进行的基石。

想象一下,在手术室中,主刀医生正全神贯注地进行着一场复杂的心脏手术,每一个操作都关乎着患者的生死。此时,稳定的氧气供应如同给患者的生命注入了源源不断的动力,确保患者在手术过程中能够维持正常的生理机能;而压缩空气则为手术器械提供了稳定的动力支持,让医生能够精准地操作各种精密器械,完成每一个关键步骤。又比如在重症监护室,对于那些生命垂危的患者而言,医用气体系统更是他们与死神抗争的重要依靠。高流量的氧气供应可以帮助患者缓解呼吸困难,维持生命体征的稳定;负压吸引装置则能够及时清除患者呼吸道内的分泌物,保持呼吸通畅,为患者的救治争取宝贵的时间。

可以毫不夸张地说,医用气体系统的稳定运行直接关系到患者的生命安全与*效果。一旦医用气体系统出现故障,就如同舞台上的灯光突然熄灭,整个医疗工作将陷入混乱与危机之中。氧气供应中断可能导致患者缺氧,引发器官功能损害甚至危及生命;压缩空气压力不足会使手术器械无法正常工作,影响手术的顺利进行;负压吸引故障则可能导致患者呼吸道堵塞,增加窒息的风险。因此,对医用气体系统进行科学、规范的维护管理,确保其始终处于*运行状态,是医疗工作中至关重要的一环,也是每一位医疗工作者和医院管理者不可忽视的责任。









