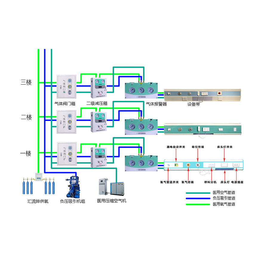
医用气体系统日常维护:医疗安全的每日防线
日常维护是确保医用气体系统稳定运行的基础,如同医生每天对患者进行的常规检查一样,细致且关键。每天,维护人员都需对医用气体系统进行全面且深入的巡查,不放过任何一个可能影响系统正常运行的细节。
外观检查是日常维护的首要任务。维护人员会仔细查看气体储罐、管道、阀门等设备的外观,检查是否存在锈蚀、变形、损坏等异常情况。任何细微的锈蚀痕迹都可能是管道内部腐蚀的信号,若不及时处理,随着时间的推移,锈蚀可能会逐渐加深,最终导致管道泄漏;而管道 的变形则可能影响气体的正常输送,甚至引发安全事故。就像一辆汽车,如果车身出现刮擦或凹陷,不仅影响美观,还可能暗示着车辆结构的潜在问题,需要及时修复。

压力检查也是至关重要的环节。通过高精度的压力表,维护人员密切监测气体的压力是否在正常范围内。不同的医用气体,其压力要求各不相同,例如氧气的供应压力通常需要稳定在一定的区间内,以确保患者能够获得充足且适宜的氧气供应。一旦压力出现异常波动,过高可能导致管道破裂,过低则可能无法满足医疗设备的正常运行需求,这都将对患者的*产生严重影响。这就好比人的血压,过高或过低都会危害身体健康,需要时刻关注并维持在正常水平。
管路检查同样不容忽视。维护人员会认真检查管道连接处是否紧密,有无松动、泄漏的迹象。他们会使用专业的检漏工具,对管道进行全面检测,确保气体在输送过程中不会出现泄漏。哪怕是极其微小的泄漏,都可能导致气体浪费,甚至在特定环境下引发安全隐患。在检查过程中,对于一些容易被忽视的角落和隐蔽部位,维护人员会格外留意,因为这些地方往往是泄漏的高发区域。这就如同排查房屋的水管是否漏水,任何一个接头、一个角落都不能放过,只有确保管路的密封性,才能保证医用气体系统的正常运行。

报警系统的检查也是日常维护的重点之一。报警系统作为医用气体系统的 “安全卫士”,一旦出现故障,将无法及时发出警报,从而延误故障处理的*时机。维护人员会定期测试报警系统的各项功能,包括声光报警是否正常、报警阈值设置是否准确等。他们会模拟各种异常情况,检查报警系统是否能够及时、准确地响应,确保在系统出现问题时,能够*时间通知相关人员进行处理。 只有确保报警系统的可靠性,才能为医用气体系统的安全运行提供有力*。
日常维护中的每一项检查工作都相互关联、不可或缺,它们共同构成了*医用气体系统稳定运行的坚固防线。通过日复一日的精心维护,及时发现并解决潜在的问题,才能确保医用气体系统始终处于蕞佳运行状态,为医疗工作的顺利开展提供可靠的支持。









